Our company in line with the market-oriented, innovation as the core, quality as the cornerstone of the business philosophy, to provide customers with competitive hvac booster fan, refrigerator condenser fan, EC Industrial Axial Fans. We adopt intelligent after-sales service information system to achieve rapid response to user needs and rapid processing of market information, and construct a reputation for careful service. Our company takes 'quality first, integrity management' as our tenet and strives to pursue the sustainable development of the enterprise through continuous improvement and sustainable innovation.
Product Introduction
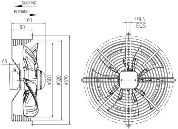
| The diameter of the fan blade | 500mm | |
Material | Guard Grill | steel, phosphated and coated in black plastic |
Wall ring | sheet steel, galvanized and coated in black plastic | |
blades | sheet steel | |
Rotor | encased in aluminium | |
Number of blades | 5 | |
Direction of rotation | Suction—direction of air flow "S" counter-clockwise, | |
Blowing—direction of air flow "B" clockwise seen on rotor | ||
Type of protection | IP54 or IP44 | |
Insulation class | Class B or Class F | |
Approvals | UL, CE, CCC , ROHS and so on | |
Mode of operation | Continuous operation(S1) | |
Bearings | Maintenance- free ball bearings | |
Ambient temperature | -30℃ to 60℃ | |
Motor protection | without TOP, TOP wired internally | |
Cable exit | lateral | |
Protection class | I | |
Advantage | YWF series axial fan with high static pressure and large air flow, have single phase, three phase, and different voltage levels, and 50HZ, 60HZ, according to the client’s different needs. | |
Product Parameter (specification)
(1)For Air Compressor:
YWF500 usually use in air compressor of 18.5-22KW
| Model | Voltage | Frequency | Current | Input Power | Speed | Max Air Flow | Capacitor | Noise |
YWF4E500 | 380 | 50 | 1.05 | 460 | 1300 | 8100 | / | 75 |
YWF4D500 | 380 | 50 | 1.3 | 550 | 1350 | 8400 | / | 76 |
(2)For Refrigeration and others:
| Model | Voltage | Frequency | Current | Input Power W | Speed | Max Air Flow | Capacitor | Noise dB(A) | Model |
YWF4E500 | 230 | 50/60 | 1.8/2.0 | 390/470 | 1320/1500 | 6100/7500 | 10 | 73/74 | ①② |
YWF4D500 | 400Y | 50/60 | 0.74/0.82 | 350/440 | 1320/1500 | 6100/7500 | / | 73/74 | |
YWF6E500 | 230 | 50/60 | 0.65/0.9 | 140/190 | 915/1050 | 4300/4700 | 6 | 66/70 | ③④ |
YWF6D500 | 400Y | 50/60 | 0.44/0.41 | 145/175 | 930/1090 | 4300/4700 | / | 66/70 | |
YWF4E500-7P | 230 | 50 | 3.0 | 680 | 1350 | 8450 | 16 | 75 | ⑤ |
YWF6E500-5P | 230 | 50/60 | 1.3/1.8 | 280/400 | 930/1050 | 5600/6700 | 10 | 75/78 | ⑥⑦ |



Product feature and application
(1) Product feature:
Compact structure
Specialized design
Refined process control
Simple Installation
High efficiency and low noise
Long service life
Application
Ventilation | Buildings, parking lots and so on |
Refrigeration | Refrigerator, Air cooler, refrigerating machine and so on |
Heat dissipation | HAVC, Air compressor, Dehumidifier, Evaporator, Wall fan, Condenser, Dryer, AHU, Ice machine and so on |
Production details

Production Equipment

High speed punching

Projection Apparatus

High and Low Temperature Test Chamber

Auto coil winding machine

Air Flow Room

CNC lathe

Automatic spray painting

Production Line

Rain Lab

welding manipulator
Through our unremitting efforts, we have produced Household Kitchen Appliance Plastic Housing Ventilating Electric Exhaust Fan Axial Fan with higher and higher technological content, and some of our production technologies are in the leading position. Combining industry characteristics, our own advantages and responsible practices, we work together with shareholders, investors, employees, partners and other stakeholders to pursue the maximization of comprehensive economic, social and environmental values. We unite the strength of all cadres and workers to move forward with stronger faith, more tenacious perseverance and more practical action.
Hot Tags: axial fan for kitchen exhaust, China, suppliers, manufacturers, factory, customized, wholesale, price, quotation, pricelist, for sale, Shaded Pole Induction Motor, circulan inline duct fan, inline extractor fan, AC centrifugal motor, EC Freezer Fan Motor, Low Noise Exhaust Fan








